03680, м. Київ, вул. Якутська, 8.
тел.: (044) 50-00-597, (050) 49-90-979
факс: (044) 50-00-596
office@innwave.com
  Logo Innwave
Logo delixi
Новини Каталог продукції Координати Про компанію Думки та огляди
Поиск
Диференціальний захист
Диференціальні вимикачі, серія CDL7

Диференціальний захист > Диференціальні вимикачі, серія CDL7

Диференційні вимикачі (ПЗВ) CDL7 застосовуються в низьковольтних електричних колах промислового та побутового призначення для захисту кіл від можливого витоку електричної енергії у разі пошкодження ізоляції та для захисту від ураження електричним струмом у разі потрапляння людини під напругу. Служить також для запобігання загоранням та пожежам, викликаним протіканням струмів витоку та замикань на землю.

Характеристики автоматичних вимикачів серії CDL7

Серія
CDL7-63
Кількість полюсів
2P, 4P
Номінальний струм In, А
10, 16, 25, 32, 40, 63
Номінальна частота, Гц
50
Номінальна напруга Ue, В
230/400
Номінальна напруга ізоляції Ui, В
500
Номінальна комутаційна здатність Im, А
630
Ном. умовний диференційний струм к.з IDc, А
6000
Струм витоку Idn, мА
30, 100, 300
Номінальний невимикальний струм витоку Idno, мА
15, 50, 150
Час вимкнення ID=IDn <=100
ID=5IDn <=40
носостійкість, циклів на годину в час 240
електрична 1000
механічна 2000
Ступінь захисту
IP20
Номінальна температура, °С
-25…+40
Переріз проводу, кв. мм
1…25
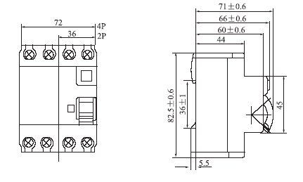
Зовнішні розміри (ДхШхГ), мм 2P 82.5х36х76
4P 82.5х72х76
Маса, кг 2P 0.275
4P 0.360

Розміри диференціальних вимикачів серії CDL7





Перейти на сайт офіційного дистрибьютора Delixi - Інвейв - http://innwave.com/
innwave elim powerset
© Інвейв, 2018