03680, м. Київ, вул. Якутська, 8.
тел.: (044) 50-00-597, (050) 49-90-979
факс: (044) 50-00-596
office@innwave.com
  Logo Innwave
Logo delixi
Новини Каталог продукції Координати Про компанію Думки та огляди
Поиск
Автоматичні вимикачі
Серія DZ47 (1-63 А)

Автоматичні вимикачі > Серія DZ47 (1-63 А)

Автоматичні вимикачі серії DZ47 призначені для захисту від перевантажень та струмів короткого замикання електричних мереж напругою 230/400 В змінного струму.

Вони виконані з високоякісного матеріалу, що не підтримує горіння.

Серія автоматичних вимикачів DZ47 випускається з час-струмової характеристикою відключення за типом B, C, D. Номінальні струми від 1А до 63А.

Характеристики автоматичних вимикачів серії DZ47

Крива відключення Номінальний струм, А Кількість полюсів Ном. напруга, В Вимикальна здатність, А
B 1 3 6 10 16 20 25 32 40 1 230/400 6000
2 3 4 400
50 63 1 230/400 4500
2 3 4 400
C 1 3 6 10 16 20 25 32 40 1 230/400 6000
2 3 4 400
50 63 1 230/400 4500
2 3 4 400
D 1 3 6 10 16 20 25 32 40 50 63 1 230/400 4500
2 3 4 400

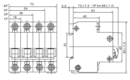
Розміри автоматичних вимикачів серії DZ47





Перейти на сайт офіційного дистрибьютора Delixi - Інвейв - http://innwave.com/
innwave elim powerset
© Інвейв, 2018