03680, м. Київ, вул. Якутська, 8.
тел.: (044) 50-00-597, (050) 49-90-979
факс: (044) 50-00-596
office@innwave.com
  Logo Innwave
Logo delixi
Новини Каталог продукції Координати Про компанію Думки та огляди
Поиск
Стабілізатори напруги
Однофазний електромеханічний стабілізатор напруги, серія TND

Стабілізатори напруги > Однофазний електромеханічний стабілізатор напруги, серія TND

Применение

ИспользВикористовуються з метою забезпечення захисту та стабільної роботи різного обладнання у випадках зміни в широких межах напруги живлення. Можуть застосовуватися для електроживлення промислового, офісного, шкільного, домашнього обладнання, обладнання для торгівлі, сільського господарства, бойлерних.

Стабілізатори однофазної електричної напруги TND виробляються у широкому асортименті потужністю від 0,5 до 20 кВА.

Принцип дії електромеханічних стабілізаторів

Електричні стабілізатори напруги 220 В електромеханічного типу (їх ще називають сервопривідними або електродинамічними стабілізаторами) являють собою систему стеження з використанням електродвигуна, автотрансформатора і системи управління двигуном. Такі стабілізатори дозволяють безперервно та плавно регулювати вихідну напругу без спотворення синусоїдної форми.

Основні переваги

  • форма вихідної напруги повторює форму напруги на вході;
  • високий ККД;
  • високоефективний захист від перевищення чи зниження вхідної напруги.

Основні технічні характеристики

  • переносне виконання,
  • автоматичний вимикач на передній панелі,
  • підключення - гвинтові клеми,
  • принцип роботи - електромеханічний автотрансформатор, керований прецизійною електронікою.
  • вхідна напруга: 150–250 В
  • точність підтримки вих. напруги — 220 В ±3%,
  • форма вихідної напруги - чиста синусоїда,
  • коеф. гармонік - немає додаткових спотворень,
  • вбудований захист від перенапруги — 246 В ±4 В,
  • захист від зниженої напруги — 184 В ±4 В,
  • швидкість реакції - менше 1 секунди,
  • частота мережі: 50/60 Гц,
  • ККД: 98% при 220 В у мережі,
  • робоча температура: 5…+40°С

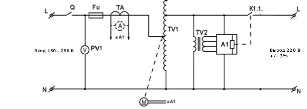
Принципова схема електромеханічних (сервопривідних) стабілізаторів напруги

Спрощена структурно-функціональна схема наведена малюнку. Основу схеми становить автотрансформатор, намотаний на тороїдальний феромагнітний сердечник, який компенсує зміну вхідної напруги шляхом збільшення або зменшення коефіцієнта трансформації.

Блок керування та захисту A1 служить для контролю вхідної та вихідної напруги та формування керівного імпульсу для роботи серводвигуна постійного струму, який переміщує щітковий контакт по обмотках автотрансформатора, змінюючи його основні характеристики, тим самим підтримуючи вихідну напругу на рівні 220 В. Блок A1 контролює критичні значення напруги, струму та температури щіткового контакту та при необхідності відключає навантаження від мережі.

Розміри та маса сервопривідних стабілізаторів TND

Модель Тип Габаритні розміри, ШхГхВ, мм Маса, кг
Переносного типу TND-500 190x160x135 4.8
TND-1000 205 x190x 155 6.1
TND-1500 205 x190x 155 6.4
TND-2000 240 x 270x200 10.4
TND-3000 225 x 305 x 235 12.6
TND-5000 225 x310 x290 18.3
TND-10000 270x530 x245 33.1
TND-10000 320 x340 x555 42.0
Стаціонарного типу TND-15000 320 x 350 x 780 68.5
TND-20000 320 x350 x780 75.5

   





Перейти на сайт офіційного дистрибьютора Delixi - Інвейв - http://innwave.com/
innwave elim powerset
© Інвейв, 2018